"
"
caddy BC50 | Construction Tool Service
Customer Login
Construction Tool Service
Tools, Supplies, and Safety Products for Contractors
Pittsburgh (412) 681-6673
State College (814) 231-3090
HOME
PRODUCTS
MANUFACTURERS
ABOUT US
LOCATION
CREDIT
CERTIFICATION FORMS
ST-2 Form
ST-3 Form
ST-4 Form
CONTACT US
RENTALS
NEWSLETTER/DEALS
Mailing List
BROWSE CATEGORIES
> Bolt
> Nail
> Nut
> Screws
> Staple
> Washer
Abrasives
Adhesives | Sealants | Tape
Air & Pneumatic Tools
Automotive | Fleet | Vehicle Maintenance
Cleaning | Waste Removal | Waste Storage
Concrete and Asphalt Chemicals
Concrete and Asphalt Products
Concrete Forming
Decorative Concrete
Diamond Products
Doors and Windows
Drill Bits and Drilling Accessories
Drywall | Ceiling | Wall Panels
Electrical Products and Equipment
Electronics | Batteries
Equipment
Fasteners | Anchors
Fastening Pins & Inserts
Flooring
Hand Tools
Hardware Supplies
Hydraulic Products
Industrial Motors and Engines
Industrial Pumps
Laboratory Products
Ladders | Platforms | Scaffolding
Leveling | Measuring | Surveying
Lighting Supplies
Lubrication | Oils | Grease
Machining Supplies
Masonry
Material Handling | Storage | Containment
Outdoor Products
Paints | Equipment | Supplies
Phoenix Support Systems
Plumbing Supplies
Power Tool Accessories
Power Tools
Power Transmission Products
Presses & Shop Equipment
Radios
Rebar and Wire Mesh
Refrigeration | HVAC | Air Treatment | Etc.
Rental Equipment
Roofing and Siding
Safety Equipment and Products
Saw Blades
Security Equipment and Accessories
Shop Vacuums
Sports Drinks and Thirst Quenchers
Strapping
Structural Hardware
Strut, Channel, & Fittings
Testing Instruments for all Purposes
Tool Storage | Job Site Boxes | Truck Boxes | Transfer Tanks
Waterproofing Products
Welding Products and Equipment
Home
/
Categories
/
Strut, Channel, & Fittings
/
Caddy
/
Search:
Ribbed-Steel Busbar Clamp
BC50
Caddy
(click image to enlarge)
Quick Overview
Clamping capacity: 20 mm
2 ribbed zinc-plated hardened-steel plates complete with screws
Maximum clamping capacity is 50 mm using longer screws 8.8 class
UL 67 recognise
Interested in this item or want more information?
Monday - Friday, 6:30 am to 4:30 pm
Phone: 412-681-6673
Email:
orders@constructiontoolservice.com
Can't find what you want? Give us a call and we can help you find it.
Details
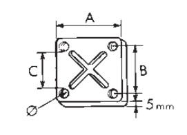
Specifications :-
Part No.
Description
A mm
B mm
C mm
Ø mm
Torque N.M.
Packaging
Weight
553200
BC30
56
42
30
M6
7
8
0,31
553210
BC40
66
52
40
M6
7
8
0,37
553220
BC50
83
64
50
M8
20
8
0,59
553230
BC63
93
74
63
M8
20
4
0,74
553250
BC80
118
96
80
M10
40
4
1,18
553260
BC100
144
118
100
M10
40
4
1,72
Additional Information
Manufacturer: Caddy
For More Information on the Ribbed-Steel Busbar Clamp,
[Click Here]
to Link to Manufacturer Web Site
Search:
© 2013- Construction Tool Services | All Rights Reserved
Powered by 48ws.com